

機械式精密型
強力磁性底座,可隨意吸附于金屬表面以及圓柱上。
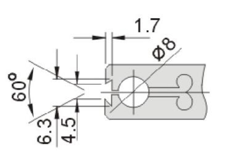
夾具范圍包括φ8.以及1/4”燕尾槽。


| 訂購編號 | 型號 | 杠桿規格 | L3 | 磁性座規格 | 吸力(N) | 重量 | |||||
| Order No. | Model | L1 | L2 | L | W | H | N.W. | ||||
| 5485-01 | BS330S | 110 | 75 | 65 | 60 | 50 | 55 | 80kgf | 1.5kg | ||
| 5485-02 | BS330M | 150 | 98 | 65 | 60 | 50 | 55 | 80kgf | 1.7kg | ||
| 5485-03 | BS330L | 185 | 145 | 70 | 80 | 50 | 55 | 100kgf | 22kg | ||
訂購:蛇形萬向磁性座 BS330 5485